
ENTDECKE DEN WELT DER SANIERUNG-PARTNER: PRÜM
TÜRDURCHGÄNGE VERBREITERN UND NEUE INNENTÜREN EINBAUEN
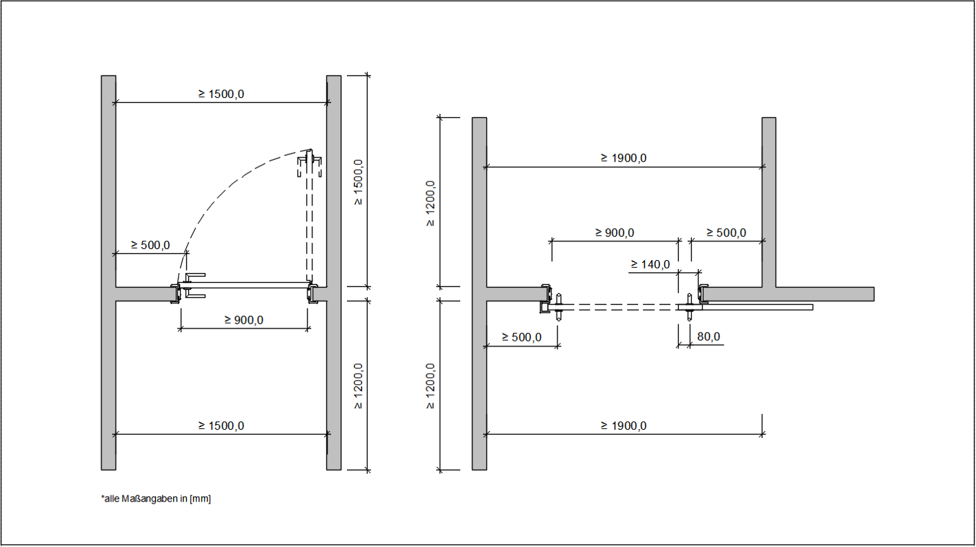
Mache dein Projekt zu einem Ort, in dem Türöffnungen kein Hindernis darstellen. Die Gestaltung barrierefreier Türen sollte niemanden ausschließen und alle gewünschten Anforderungen berücksichtigen – von der behindertengerechten Ausstattung bis hin zum berührungslosen Öffnen einer Tür, wenn die Hände einfach nicht frei sind.
